Zum Hauptinhalt springen Zur Suche springen Zur Hauptnavigation springen
schnelle Lieferung
günstige Preise
große Auswahl

Midas 6 Wegeventil Umschaltventil Anschlüsse 1 1/2 Zoll Anschlüsse seitl und unten

Produktinformationen "Midas 6 Wegeventil Umschaltventil Anschlüsse 1 1/2 Zoll Anschlüsse seitl und unten"

Optimieren Sie Ihre Sandfilteranlage mit dem Midas 6-Wege Umschaltventil

Hochwertige Bauweise und einfache Bedienung

Das Midas 6-Wege Ventil ist die perfekte Ergänzung für Ihre Sandfilteranlage, wenn Sie Wert auf Qualität und Effizienz legen. Mit robusten 1 1/2 Zoll Anschlüssen garantiert dieses Ventil eine langlebige und zuverlässige Performance. Sie profitieren von einem seitlichen Anschluss zum Filter sowie einem Anschluss von unten, die eine flexible Installation ermöglichen und sich mühelos in Ihr bestehendes Schwimmbadsetup integrieren lassen.

Intuitive Funktionen für kristallklares Wasser

Mit seiner benutzerfreundlichen Oberfläche ermöglicht das Midas 6-Wege Ventil eine einfache Steuerung aller wichtigen Funktionen Ihrer Sandfilteranlage. Wählen Sie mühelos zwischen den sechs verfügbaren Funktionen: Filtern, Rückspülen, Nachspülen, Zirkulieren, Geschlossen und Entleeren. Diese Auswahl an Betriebsmodi sorgt dafür, dass Ihr Schwimmbadwasser immer sauber und einladend bleibt.

Maßgeschneiderter Einsatz

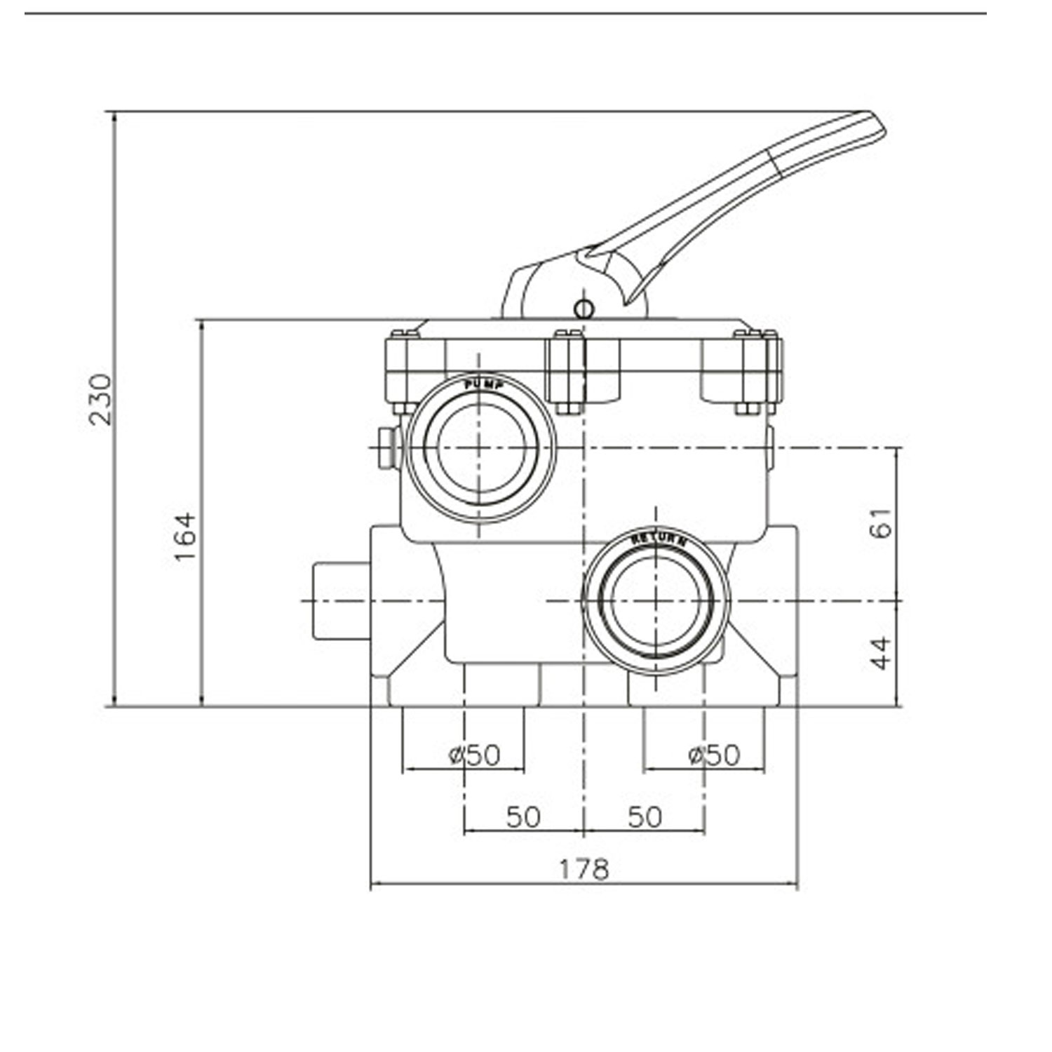
Die Maße des Midas 6-Wege Ventils sind präzise in der zugehörigen technischen Zeichnung dargestellt. So können Sie sicher sein, dass das Ventil zu Ihrer vorhandenen Sandfilteranlage passt. Die Installation wird damit zum Kinderspiel.

Deutschsprachige Beschriftung für einfache Anwendung

Die Beschriftung auf dem 6-Wege Ventil ist in deutscher Sprache gehalten, was die Handhabung für deutschsprachige Nutzer enorm erleichtert. Intuitiv und ohne Sprachbarrieren können Sie so die verschiedenen Modes einstellen.

Langlebigkeit für Ihren Pool

Entwickelt für die Nutzung im Schwimmbad, widersteht dieses Ventil den Herausforderungen des Pool-Betriebs. Die hervorragende Verarbeitung und die hochwertigen Materialien versprechen eine lange Lebensdauer und reduzieren die Notwendigkeit häufiger Wartungen oder Ersatz.

Eindrucksvolle Vorteile auf einen Blick:

  • Einfacher Wechsel zwischen 6 verschiedenen Betriebsfunktionen
  • Intuitive Bedienung mit deutschsprachiger Beschriftung
  • Robuste 1 1/2 Zoll Anschlüsse für seitliche und untere Verbindung
  • Langlebig und zuverlässig für den regelmäßigen Einsatz im Schwimmbadbereich
  • Klar definierte Maße für eine problemlose Integration in Ihr System

Fassen Sie es ins Auge

Das Midas 6-Wege Ventil ist ein Muss für jeden Poolbesitzer, der eine effiziente und benutzerfreundliche Lösung zur Wasserpflege sucht. Mit diesem Umschaltventil erhalten Sie nicht nur eine vielseitige Kontrolle über Ihre Sandfilteranlage, sondern auch die Gewissheit, einen reibungslosen und einfachen Betrieb zu genießen. Setzen Sie auf die bewährte Qualität von Midas und erleben Sie die Leichtigkeit, mit der Poolpflege sein kann.


  • Anschlüsse  1 1/2 Zoll Gewinde
  • Anschluß zum Filter   1 x seitlich     
  • Anschluß vom Filter    1 x unten
  • Maße siehe Zeichnung
  • Beschriftung in dt. Sprache


Funktionen des 6 Wege Ventils

  1. Filtern
  2. Rückspülen
  3. Nachspülen
  4. Zirkulieren
  5. Geschlossen
  6. Entleeren
Angaben zum Hersteller (Informationspflichten zur GPSR Produktsicherheitsverordnung)
MIDAS Pool Products GmbH
In der Eller 27
36119 Neuhof-Dorfborn, Deutschland

0 von 0 Bewertungen

Durchschnittliche Bewertung von 0 von 5 Sternen

Bewerten Sie dieses Produkt!

Teilen Sie Ihre Erfahrungen mit anderen Kunden.


Kunden haben sich ebenfalls angesehen

Sterndichtung für 6 Wegeventil mit 1 1/2 Zoll Anschlüssen
Hochwertige Sterndichtung für 6-Wege-Ventil mit 1 1/2 Zoll AnschlüssenSteigern Sie die Leistungsfähigkeit Ihrer Pool-FilteranlageSorgen Sie für maximale Effizienz und Langlebigkeit Ihrer Pool-Filteranlage mit der Ersatzsterndichtung von Peraplas. Entwickelt, um Wasserlecks zuverlässig zu verhindern, ist sie ideal für 6-Wege-Ventile mit 1 1/2 Zoll Anschlüssen.Perfekte Passform und einfache InstallationMit einem präzisen Durchmesser von ca. 133 mm passt diese Sterndichtung nahtlos in Ihr vorhandenes Ventilsystem. Die Installation ist mühelos und erfordert kein Fachwissen, sodass selbst unerfahrene Benutzer ihre Anlage schnell und unkompliziert abdichten können.Robuste Materialien für eine lange LebensdauerGefertigt aus Kraton, einem hochwertigen Synthesekautschuk, bietet die Peraplas Sterndichtung außerordentliche Haltbarkeit und Beständigkeit gegen Chemikalien und Abrieb. Dieses widerstandsfähige Material sorgt dafür, dass die Dichtung weniger häufig ersetzt werden muss, was langfristig Kosten spart.Idealer Austausch für VerschleißteileKleine, aber wichtige Teile wie Dichtungen unterliegen häufigem Verschleiß und können die Effizienz des gesamten Systems beeinträchtigen. Mit dieser Sterndichtung halten Sie Ihr 6-Wege-Ventil in einwandfreiem Zustand und gewährleisten eine konstante Wasserqualität in Ihrem Pool.Einfache Wartung und PflegeDie Sterndichtung von Peraplas ist extrem widerstandsfähig gegenüber den chemischen Bedingungen in Ihrem Pool. Daher erfordert sie keine besonderen Reinigungsmittel oder -verfahren und bleibt länger in einwandfreiem Zustand, was die Wartung Ihrer Filteranlage erheblich erleichtert.Schnelle Instandsetzung für Ihren PoolDie Peraplas Sterndichtung für 6-Wege-Ventile ist ein unverzichtbares Zubehör für eine schnelle und effektive Instandsetzung Ihrer Pool-Filteranlage. Bestellen Sie noch heute, um Ausfallzeiten zu minimieren und eine ununterbrochene Nutzung Ihrer Poolanlage zu gewährleisten.Sichern Sie sich die optimale Leistung Ihrer Pool-Filteranlage – bestellen Sie jetzt die hochwertige Sterndichtung von Peraplas und erleben Sie den Unterschied!

15,90 €*

Hallo

Klicken Sie unten auf einen unserer Mitarbeiter, um über WhatsApp zu chatten , oder senden Sie uns eine E-Mail an post@pool-bedarf.de

avatar
× whatsapp background preview
Shopware-Theme Development Shopware-Agency